Магазин запчастей для бытовой техники - Arlos
Москва
close
Выберите ваш регион
АбаканАлександровАльметьевскАнгарскАрзамасАрмавирАртемАрхангельскАстраханьАчинскБалаковоБалашихаБеларусьБелгородБердскБерезникиБийскБлаговещенскБратскБрянскВеликий НовгородВидноеВладивостокВладикавказВладимирВолгоградВолгодонскВолжскийВологдаВолховВоркутаВоронежВоскресенскВыборгГатчинаГеленджикГрозныйДедовскДербентДзержинскДзержинскийДимитровградДмитровДолгопрудныйДомодедовоДонецкЕвпаторияЕгорьевскЕкатеринбургЕлецЕссентукиЖелезногорскЖелезнодорожныйЖуковскийЗеленоградЗлатоустИвановоИвантеевкаИжевскИркутскИстраЙошкар-ОлаКазаньКалининградКалугаКаменск-УральскийКамышинКаспийскКемеровоКерчьКировКисловодскКлинКовровКоломнаКомсомольск-на-АмуреКопейскКоролёвКостромаКотельникиКрасногорскКраснодарКраснознаменскКрасноярскКурганКурскКызылЛенинск-КузнецкийЛипецкЛобняЛыткариноЛюберцыМагнитогорскМайкопМалаховкаМахачкалаМиассМоскваМурманскМуромМытищиНабережные ЧелныНазраньНальчикНаро-ФоминскНахабиноНаходкаНевинномысскНефтекамскНефтеюганскНижневартовскНижнекамскНижний НовгородНижний ТагилНовокузнецкНовокуйбышевскНовомосковскНовороссийскНовосибирскНовоуральскНовочебоксарскНовочеркасскНовошахтинскНовый УренгойНогинскНорильскНоябрьскОбнинскОдинцовоОктябрьскийОмскОрелОренбургОрехово-ЗуевоОрскПавловский ПосадПензаПервоуральскПермьПетрозаводскПетропавловск-КамчатскийПодольскПрокопьевскПсковПушкиноПятигорскРаменскоеРеутовРостов-на-ДонуРубцовскРыбинскРязаньСакиСалаватСамараСанкт-ПетербургСаранскСаратовСевастопольСеверодвинскСеверскСергиев ПосадСерпуховСимферопольСмоленскСосновый БорСочиСтавропольСтарый ОсколСтерлитамакСтупиноСургутСызраньСыктывкарТаганрогТамбовТверьТихвинТольяттиТомилиноТомскТроицкТулаТюменьУлан-УдэУльяновскУссурийскУсть-ИлимскУфаУхтаФеодосияФрязиноХабаровскХанты-МансийскХасавюртХимкиЧебоксарыЧелябинскЧереповецЧеркесскЧеховЧитаШахтыЩелковоЭлектростальЭлистаЭнгельсЮжно-СахалинскЯкутскЯлтаЯрославль
  • - бесплатно по РФ
    Автоперезвон. Работает по принципу: Вы позвонили на номер, мы сбрасываем звонок и перезваниваем через 3 секунды.
  • - по Москве
  • 8 (925) 663-83-63

Call-центр

пн-вс: 10:00-19:00

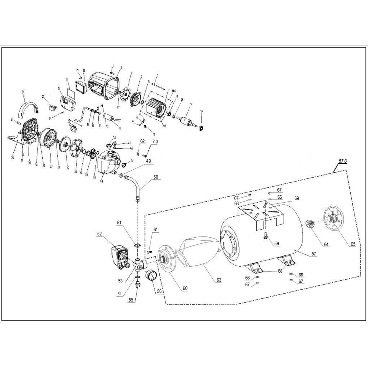
Насосная станция ЗНАС-800

Данная модель имеет несколько схем

NАртикулНазваниеСрок отгрузкиЦенаКупить
T21 U009-620-1RS Подшипник шариковый (32х12х10) U009-620-1RS для ЗЦПБ-370, ЗЭП-600Н, НПГ-М3-1100-С 189 р.
1 U455-800-042 Ручка-клапан U455-800-042 для насосов ЗУБР 92 р.
1 UM01-000-192 Винт M8x20 H6
2 U537-800-002 Кожух двигателя 181 р.
2 UM06-001-004 Кольцо стопорное D11 разжимное UM06-001-004 для ЗДА-9.6-К, ЗНАС-1000 46 р.
3 U455-800-003 Крыльчатка 286 р.
4 U457-800-004 Крышка корпуса статора 480 р.
5 U455-800-005 Кольцо пружинное D23
6 UM03-000-003 Болт M5x128 #F 92 р.
7 U455-800-036 Кольцо уплотнительное D36xd32x2,5 мм U455-800-036 для ЗНС-800, НАС-М3-1200 , 189 р.
9 U455-800-010 Ротор 3.681 р.
10 U009-620-2RS Подшипник шариковый 6202-2RS (35x15x11) n/n 189 р.
10 U452-752-044 Сальник керамический в сборе D26xd14xН5 U452-752-044 279 р.
11 U455-800-012 Воротник шнура резиновый #F 189 р.
12 U452-900-009-2 Конденсатор 16мкФ 450В СВВ60 383 р.
13 UM02-000-027 Саморез 4x18 PH2 92 р.
14 U455-800-015 Прижим шнура
15 U098-004-012-1 Воротник шнура малый #F 94 р.
16 U098-004-012 Воротник шнура #F 92 р.
17 U099-004-010-1 Шнур сетевой резин. 3х1,0мм 1,5м #F 480 р.
18 U457-800-018 Крышка выключателя прозрачная 92 р.
20 U457-800-020 Уплотнение 92 р.
21 U455-800-030 Кольцо брызгозащитное U455-800-030 для насосов ЗНС-1100, НАС-М3-1200-Ч 92 р.
21 U537-800-021 Корпус выключателя
23 U535-600-022 Выключатель KND2-12/2 12(10)A 250V~ IP55 5E4 T85/55 657 р.
25 U457-800-025 Скоба 189 р.
26 UM06-001-006 Кольцо разжимное D14 92 р.
27 U457-100-027 Вставка M8 92 р.
28 U455-800-027 Основание 286 р.
30 U535-600-029 Промщит 168x162x43 736 р.
32 U535-600-032 Пластина изолирующая D147.3xd13.5 U535-600-032 330 р.
32 U455-800-031 Кольцо уплотнительное D149xd142xd3.5 75 р.
34 U455-800-034 Крыльчатка насоса D114x22 U455-800-034 415 р.
35 U455-800-035 Крышка крыльчатки D142x25 U455-800-035 для насосов ЗНС-600, ЗНС-800 258 р.
37 U455-800-037 Трубка Вентури D8.5 (тип2) 85x88x56 U455-800-037 для насосов ЗНС-600, ЗНС-800 145 р.
38 U455-800-038 Кольцо уплотнительное D28 U455-800-038 для насосов ЗНС-600, ЗНС-800 94 р.
39 U455-800-039 Корпус насоса 190x163xh142 мм U455-800-039 для насосов ЗНС-600, НАС-М3-1200 1.200 р.
42 U455-800-043 Кольцо уплотнительное D14 92 р.
43 U455-800-044 Заглушка 92 р.
44 UM01-000-012 Винт M4x10 92 р.
45 UM04-001-002 Шайба-гровер D4 92 р.
46С U455-800-008-C Статор в сборе 2.905 р.
48 UM04-003-001 Шайба стопорная D4 92 р.
49 U457-800-049 Кольцо уплотнительное D14 92 р.
50 U457-800-050 Подводка гибкая с гайкой штуцером 1/2″ D17x250 524 р.
51 U457-800-051 Прокладка резиновая 1/2`` 189 р.
52 U457-800-052 Реле давления 1.046 р.
53 U457-800-053 Штуцер 5-выводной U457-800-053 для насосных станций ЗНАС-800, НАС-М3-1200 674 р.
55 U535-800-055 Ручка-клапан
56 U457-800-056 Манометр 6bar (D41 1/4″ папа резьба сзади) 345 р.
57 U457-800-057 Бак 1.935 р.
57C U457-800-057-C Гидроаккумулятор 2.905 р.
59 UM03-002-006 Болт М8х36
60 U457-800-060 Фланец D155x37мм U457-800-060 для НАС-М3-800, ЗНАС-1200-Ч 393 р.
61 UM03-000-005 Болт M8x15 #F 92 р.
62 UM04-000-005 Шайба D8 92 р.
63 U457-800-062 Мембрана 20 л. непроходная U457-800-062 для ЗНАС-800 - ЗНАС-1200, НАС-М3-800 - НАС-М3-1200 948 р.
64 U457-800-063-C Ниппель в сборе 286 р.
65 U457-800-064 Крышка ниппеля 92 р.
66 U457-800-066 Шайба D8
67 UM05-000-004 Гайка M8 (запорная) #F 92 р.
68 U457-800-067 Основание гидроаккумулятора 286 р.
69 U457-800-068 Платформа насоса 189 р.
70 UM01-000-085 Винт M8x43 H6 (цилиндр) #F 22 р.
Найдено товаров: 64
1
▲ Наверх
0
8 (925) 663-83-63

Call-центр

пн-вс: 10:00-19:00

НАЙТИ ПО МОДЕЛИ
Введите номер заказа
Введите номер своего заказа, что бы узнать его текущий статус.
Что бы получить доступ к расширенным функциям, пройдите не сложную регистрацию. Зарегистрироваться